Visão Geral
Todas as funcionalidades de copiar, recortar e colar estão disponíveis no editor Ladder através do menu Editar ou dos atalhos de teclado correspondentes.
Para executar essas operações, é necessário ter uma rung ou um elemento selecionado.
Copiar/colar um elemento
A seguir um exemplo de copiar/colar de um elemento.

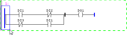
Figura 1 - Antes, elemento selecionado e pressionado Ctrl+C

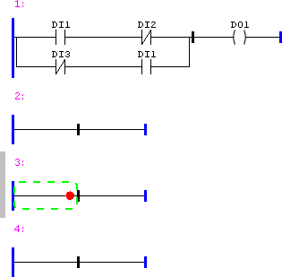
Figura 2 - Selecionado o ponto de inserção de destino

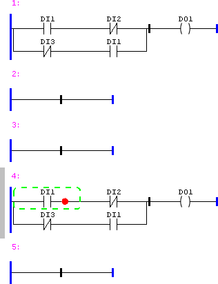
Figura 3 - Depois de pressionado Ctrl+V
Copiar/colar de múltiplos elementos
Também é possível copiar, recortar e colar múltiplos elementos selecionados ou pelo mouse ou pela tecla G. A seguir, um exemplo de copiar/colar de múltiplos elementos.

Figura 4 - Antes, grupo selecionado e pressionado Ctrl+C

Figura 5 - Depois, temporizador selecionado com ponto de inserção anterior e pressionado Ctrl+V
Poderá haver situações que o colar não será possível, não havendo alteração na rung após o comando.
Copiar/colar de rungs
A seleção de rungs para as operação de copiar, recortar e colar é feita somente através do mouse conforme figuras a seguir.

Figura 6 - Através do mouse, a partir do lado de fora direito da rung

Figura 7 - Através do mouse, a partir do lado esquerdo da rung
Também é possível selecionar múltiplas rungs para essas operações.
A seguir, um exemplo de copiar/colar de rung.

Figura 8 - Rung a ser copiada selecionada e pressionado Ctrl+C

Figura 9 - Rung imediatamente superior à colagem selecionada

Figura 10 - Depois de pressionado Ctrl+V